
傳真:
18923864027
QQ:
709211280
地址:
深圳市福田區振中路84號愛華科研樓7層
平面MOSFET和超級結MOSFET的區別功率晶體管近年來的主要功率晶體管Si-MOSFET、IGBT、SiC-MOSFET的功率與頻率范圍。下圖表示處理各功率晶體
平面MOSFET與超級結MOSFET的結構區別基于超級結技術的功率MOSFET已成為高壓開關轉換器領域的業界規范。它們提供更低的RDS(on),同時具有更
功率器件結溫與殼頂溫度差異解析開關電源、電機驅動以及一些電力電子變換器通常會使用功率器件,在設計過程中要測量功率MOSFET或IGBT結溫,
PCB設計,提高超級結MOSFET的性能介紹與傳統平面MOSFET技術相比,超級結MOSFET可顯著降低導通電阻和寄生電容。導通電阻的顯著降低和寄生電容
怎么確定MOSFET所需最小散熱器尺寸假定設計電路中的功率MOSFET的總計算功耗為10W。該器件的最高結溫為150℃。考慮到結到外殼還存在溫差,那
關于MOSFET和散熱器的圖文解析功率MOSFET、功率BJT和功率二極管等功率器件,散熱器對于提供散熱非常重要。從名稱本身來看,它將吸收功率器
計算元器件的結溫及熱阻值的解析θJA是熱阻的單位,用來表示空氣到結溫的阻值,單位是℃ W或K W。做電路設計都需要用到以下的公式來
MOS管熱阻,輸入輸出電容,開關時間解析打開一個MOS管的SPEC,會有很多電氣參數,本文分析一下熱阻、電容和開關時間。熱阻,英文Thermal res
PMOS設計反向電壓保護電路,原理介紹直流系統中,比如汽車電子設計中,當電池接反時,使用電池作為電源的電路可能會損壞,所以一般需要反向
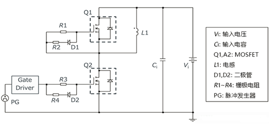
通過雙脈沖測試確認MOSFET損耗解析MOSFET體二極管的反向恢復特性與橋式電路損耗的關系在逆變器電路和Totem Pole型功率因數改善(PFC)電路
LED電路,利用MOSFET提升效率降低噪聲介紹LED照明電路(臨界模式PFC+DC DC):利用MOSFET提升效率并降低噪聲的案例下面的電路摘自實際LED照
開關損耗測試在電源調試中的重要作用介紹MOSFET IGBT的開關損耗測試是電源調試中非常關鍵的環節。開關電源(SMPS)技術依托電源半導體開關設