電源濾波器是一種由電容、電感和電阻組成的濾波器,它的作用是:對特定頻率的頻點或該頻點以外的頻率進行有效濾除,得到所需要的有效信號。
電源濾波器原理圖
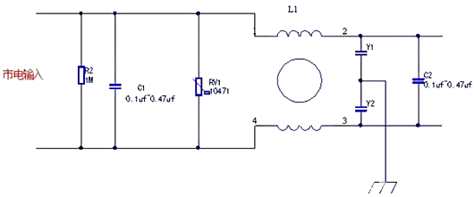
下圖是電源濾波器典型電路圖


C1、C2是差模電容器,一般稱為X電容,電容容量很多時候選擇在0.01μF到0.47μF之間;Y1和Y2是共模電容,一般稱為Y電容,電容量不宜過大,一般在幾十納法左右,選的太大容易引起漏電;
L1為共模扼流圈,它為同向繞在同一個鐵氧體環上的一對線圈,電感量約為幾毫亨,對于共模干擾電流,兩個線圈產生的磁場是同方向的,共模扼流圈表現出較大的阻抗,從而起到衰減干擾信號的作用;
而對于差模信號,兩個線圈產生的磁場抵消,因此不會影響到電路的性能。需要注意的是這是一級濾波器電路,如果想要效果得到更好可以采用二級濾波。


開關電源EMI濾波器典型電路
開關電源為減小體積、降低成本,單片開關電源一般采用簡易式單級EMI濾波器,典型電路圖所示。
圖(a)與圖(b)中的電容器C能濾除串模干擾,區別僅是圖(a)將C接在輸入端,圖(b)則接到輸出端。圖(c)、(d)所示電路較復雜,抑制干擾的效果更佳。圖(c)中的L、C1和C2用來濾除共模干擾,C3和C4濾除串模干擾。
R為泄放電阻,可將C3上積累的電荷泄放掉,避免因電荷積累而影響濾波特性;斷電后還能使電源的進線端L、N不帶電,保證使用的安全性。圖(d)則是把共模干擾濾波電容C3和C4接在輸出端。
〈烜芯微/XXW〉專業制造二極管,三極管,MOS管,橋堆等,20年,工廠直銷省20%,上萬家電路電器生產企業選用,專業的工程師幫您穩定好每一批產品,如果您有遇到什么需要幫助解決的,可以直接聯系下方的聯系號碼或加QQ/微信,由我們的銷售經理給您精準的報價以及產品介紹
聯系號碼:18923864027(同微信)
QQ:709211280

