隨著高速功率MOSFET生產技術的迅速發展,MOSFET的工作頻率越來越高,驅動方式越來越安全,而且價格也越來越低。因此,近年來市場上大量出現了應用于各種家用電器和工業用報警器的開關功率放大器。與線性功率放大器相比,雖然開關功率放大器 的電路稍微復雜,但它的效率很高,可以減小散熱片的大小,甚至可以不使用散熱片,因此可大幅地減小產品的體積。在常見的開關功率放大器中,MP7720可在最大工作電壓24V的情況下可輸出20W功率,TDA7481可在最大工作電壓±18V情況下輸出18W功率,而STA510可在最大工作電壓60V的情況下輸出100W功率。這些集成芯片一般在輸出部分采用2個或4個N溝道MOSFET驅動,因此其內部電路較復雜,而且其價格也很高。所以應用于專業音響設備時雖不存在任何問題,但是應用于一般的工業用報警器 時卻或多或少存在一些問題。
本文采用通用集成芯片TL494把模擬信號轉換成PWM(脈寬調制)信號,并在輸出部分采用N溝道MOSFET和P溝道MOSFET構成開關功率放大器。TL494廣泛應用于半橋式開關電源,它具有工作頻率和工作電壓高、控制方式多、價格低廉等優點。輸出部分在上下兩端各自采用N溝道MOSFET和P溝道MOSFET構成獨特的驅動方式來驅動,負載的另一側連接到半橋方式的電容器,因此具有整體電路簡單、工作狀態穩定、價格低廉等特點,應用于工作頻率低于10kHz、功率在15W~50W的工業用報警器時可提高產品的競爭力。
1.TL494介紹
TL494是一種開關電源脈寬調制(PWM)控制芯片。多年來,作為最廉價的雙端PWM芯片,TL494在雙端拓撲,如推挽和半橋中應用極多。由于其較低的工作頻率以及單端的輸出端口特性,它常配合功率雙極性晶體管(BJT)使用,如用于配合功率MOSFET則需外加電路。TL494工作在7V~40V的寬電壓范圍內,最大工作頻率為200kHz,內部具有鋸齒波發生器、PWM發生器和滯后時間調整功能。
2.方案設計
圖1是基于TL494的開關功率放大器的框圖。電路設計的關鍵是占空比調節電路、輸入信號壓縮電路和MOSFET驅動電路。

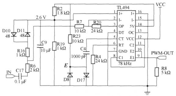
圖1 TL494構成的開關功率放大器框圖
2.1占空比調節電路
占空比是PWM信號調制時提高電壓利用率的關鍵。因為TL494是開關電源用集成芯片,所以在其內部把最小滯后時間設定為0.1V電壓。最大占空比在發射級輸出時約為96%。圖2所示為輸入部分和PWM信號調制的部分電路。

圖2 信號輸入部分和PWM發生器
在圖2中,當C4=1000pF,R4=24k時,工作頻率約為78kHz。如果沒有占空比調節電路D8、D17、R23,則因為內部滯后時間比較器的比較點為0.1V,所以最小導通時間約為1.52μs,最小占空比為D=1.52/13≈12%。因此,PWM時電壓利用率將下降。如果使用D8、D17、R23,則會在鋸齒波發生用的電容器C4的E點產生0.82V的偏置電壓,把鋸齒波的起點從原來的0V提高到0.82V。因此導通時間減小到0.64μs,最小占空比減小到D=0.64/13≈4.9%,可明顯地提高電壓利用率。圖3是無占空比調節電路時輸出波形,圖4是有占空比調節電路時輸出波形。

圖3 無占空比調節電路時輸出波形

圖4 有占空比調節電路時輸出波形
2.2輸入信號壓縮電路
因為報警器的輸入信號變化范圍較大,所以需要將幅度較大的信號按一定比例壓縮。在圖2中,R6、R16、D10、D11構成輸入信號壓縮電路,其關鍵是利用了二極管的輸入特性。圖5示出其輸入特性,其中D10和D11并聯,可在正負兩個方向壓縮信號。

圖5 輸入信號壓縮電路的輸出特性
壓縮比取決于R6、R16的值,其值越大,壓縮比越大。調整R6、R16的值,設定壓縮信號的變化范圍為-0.82V~0.82V,則變化量是1.64V。見圖4,鋸齒波電壓變化范圍是0.82V~3.25V,所以TL494內部誤差放大器的輸出信號變化范圍是2.43V。內部誤差放大器的增益取決于R7和R20,調整其值,當壓縮信號的變化量在1.64V時,將內部誤差放大器的輸出信號變化范圍設定為2.43V即可。警報器大都使用高音揚聲器,因此可大幅度降低振幅較大的低音。
2.3MOSFET驅動電路
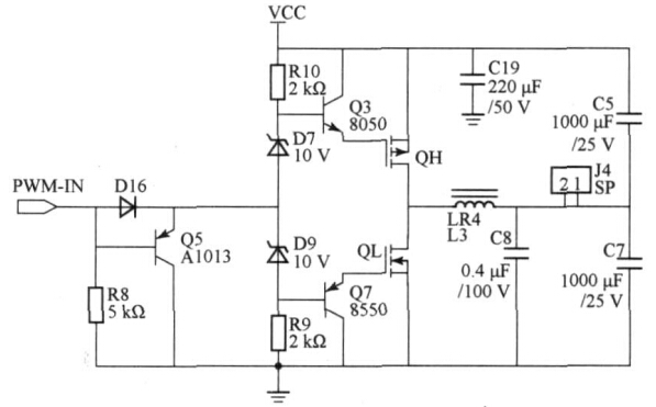
P溝道MOSFET采用IRF9540,具有最大工作電壓100V、最大工作電流18A、VGS電壓5V~15V時飽和等特性。N溝道MOSFET采用IRF540,具有最大工作電壓100V、最大工作電流27A、VGS電壓5V~15V時飽和等特性。驅動三極管Q3采用NPN型C8050,Q7采用PNP型C8550。這兩種驅動三極管都具有最大工作電壓30V、最大工作電流1A、VBE為12V的特性。圖6為MOSFET驅動電路。

圖6 MOSFET驅動電路
圖7所示為MOSFET驅動原理波形。當A點的脈沖電壓為低時,電流通過穩壓二極管D7和三極管Q3的反偏形成VGS電壓,QH導通。當A點的脈沖電壓為高時,電流通過穩壓二極管D9和三極管Q7的反偏形成VGS電壓,QL導通。圖7示出了詳細的驅動波形,其中脈沖電壓為低時,其電壓低于VL才能使QH導通,脈沖電壓為高時,其電壓高于VH才能使QL導通。從VL變化到VH需要一定時間,這時會出現QH和QL同時截止的狀態,因此,脈沖變化過程很安全。

圖7 MOSFET驅動原理波形
QH和QL的VGS由下式決定:

式中:VGS為MOSFET的驅動電壓;VC為電源電壓;VD為穩壓管D7和D9的穩壓電壓(一般使用相同的穩壓管);VBE為C8050和C8550的反擊穿電壓。
圖8是實測的驅動波形。脈沖電壓從低到高變化過程中,QH和QL同時截止的時間約為100~300ns。

圖8 實測的驅動波形
2.4輸出部分工作原理
如圖6所示,輸出部分由QH、QL和L3、C8、C5、C7構成。輸出電壓經過L3、C8濾除高頻波后傳送到負載。一般在輸出端采用一個電解電容器,但本電路采用C5和C7構成半橋方式,然后將其中點連接到負載。這種連接方式的優點是兩個電容器既為輸出信號的傳送通路(此時電容值是兩個電容的并聯值),同時也對電源具有濾波作用(此時電容值是兩個電容的串聯值),而且把電容器的內壓降低一半。
3.實驗結果
表1所示為輸入電壓為35V、工作頻率為78kHz時使用不同穩壓值的穩壓二極管時的靜態電流。

從表1可以看出,穩壓二極管的穩壓值為0V、5V時VL和VH導通點的距離太近,同時導通時間太長,有較大的靜態電流,而20V時雖然電流較小,但MOSFET嚴重發熱。從表1可知,工作電壓為35V時穩壓二極管的選取范圍是7.5V~15V。
結語
實驗結果表明,把TL494的PWM信號用于N溝道MOSFET和P溝道MOSFET,構成獨特驅動方式的開關功率放大器克服了兩個功率MOSFET同時導通的缺點,具有理想的驅動波形,效率大于95%,帶寬良好且價格低廉,完全滿足工業用報警器的要求。而且在18W輸出功率下,與TDA7481構成的功率放大器相比,無多大差別,而且基本上沒有發熱現象,可以去除散熱片。若要獲得更大輸出功率,只需把工作電壓提高到35V以上,并配上適當的穩壓二極管即可。
電話:18923864027(同微信)
QQ:709211280
〈烜芯微/XXW〉專業制造二極管,三極管,MOS管,橋堆等,20年,工廠直銷省20%,上萬家電路電器生產企業選用,專業的工程師幫您穩定好每一批產品,如果您有遇到什么需要幫助解決的,可以直接聯系下方的聯系號碼或加QQ/微信,由我們的銷售經理給您精準的報價以及產品介紹

