AT89系列單片機是近年來推出的一種新型高性能低價位、低電壓低功耗的8位CMOS微型計算機。它的顯著優點是:①內含F1ash存儲器,這在系統的開發過程中,可隨意進行程序修改,既便錯誤編程之后仍可以重新編程,故不存在廢品且大大縮短了程序的開發周期,同時在系統工作過程中能有效地保存數據信息。②采用靜態時鐘方式,節省電能,這對于降低便攜式產品的功耗十分有利。③由于它是以8031核構成的,所以它與MCS一51系列單片機是兼容的。這對于熟悉MCS一51系列的廣大用戶來說,用AT89系列單片機取代51系列進行系統設計是輕而易舉的。
而AT89C2051又是AT89系列中一種更為廉價的單片機,作為一種小型測控系統或便攜式智能儀器儀表的核心器件,其性能價格比憂于MCS一51系列。所不同的是它的引腳只有20根,比標準型的40根少得多,也即并行I/O端口較少。如何利用這較少的幾根口線,連接成穩定可靠的LED顯示電路,就是以AT89C2051單片機為核心的應用電路所要解決的瓶頸問題。本文采用了74LS164這個串人并出的移位寄存器,很好地解決了2051與LED的顯示接口電路。
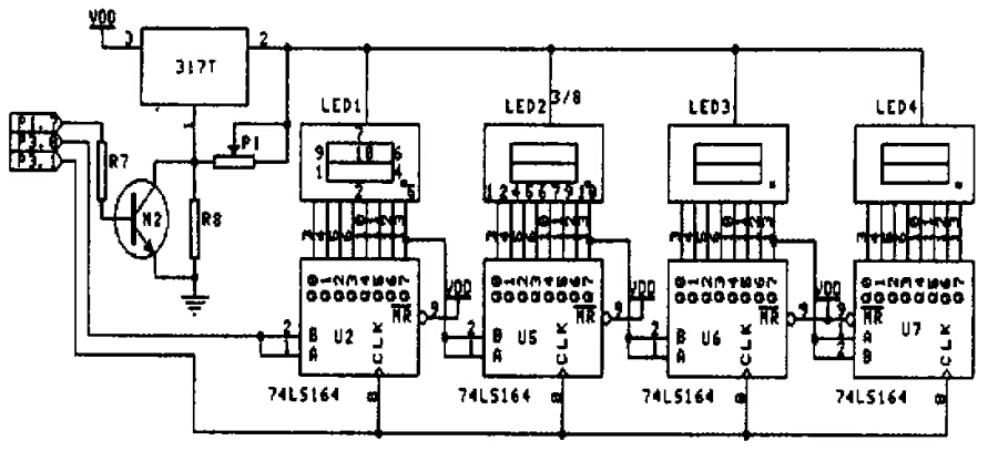
1.硬件電路
2051余下的并行I/O口線不足8根,數據的并行輸出已不可能,但可以考慮串行輸出方法,圖1給出串行口擴展的4位LED顯示接口電路。

圖1 串行口擴展的4位LED顯示電路
該電路只使用2051的3個端口,配接4片串入并出移位寄存器74LS164與1片三端可調穩壓器LM317T。其中74LS164的引腳Q0~Q7為8位并行輸出端;引腳A、B為串性輸入端;引腳CLK為時鐘脈沖輸入端,在CLK脈沖的上升沿作用下實現移位,在CLK=0、清除端MR=1時,74LS164保持原來數據狀態;MR=0時,74LS164輸出清零。
其工作過程如下:2051的串行口設定在方式0移位寄存器狀態下,串行數據由P3.0發送,移位時鐘由P3.1送出。在移位時鐘的作用下,串行口發送緩沖器的數據一位一位地移入74LS164中。4片74LS164串級擴展為4個8位并行輸出口,分別連接到4個LED顯示器的段選端作靜態顯示。需要指出的是,由于74LS164無并行輸出控制端,因而在串行輸入過程中,其輸出端的狀態會不斷變化,造成不應顯示的字段仍有較暗的亮度,影響了顯示的效果。
以往的做法是在74LS164的輸出端加接4片鎖存器或三態門。使移位寄存器串行輸入數據時其輸出端的變化不反映到LED上,待串行輸入結束后再打開鎖存器或三態門,將穩定的顯示數據送給LED。
本文電路的獨特之處在于僅采用了1片三端可調穩壓器LM317T,317T的3、2腳分別是電壓輸入、輸出端,317T的1腳是電壓調整端,腳2輸出電壓隨腳1電壓而變化。腳1與接地電阻之間并一個NPN三極管。它的基極受P1.7口線控制。串行輸入時P1.7口線為高電平,三極管飽和導通使317T的腳1約為0.3V,腳2輸出電壓隨之下降到1.5V不足以使共陽極LED發光,故此時串行輸入的影響不會反映到LED上;串行輸入結束后,使P1.7口線為低電平。三極管截止,腳2輸出電壓因腳1電壓增高便上升到2.0V使LED正常發光。因此。1片三端可調穩壓器LM317T起到了4片鎖存器的作用使LED顯示不會閃爍本電路的另一優點是通過可調電位器P1可在線調整腳2的輸出電壓,使LED的顯示亮度均勻可調,而且省掉了大量的LED限流電阻。
2.軟件編程
上述分析表明,移位寄存器74LS164僅有串入并出作用沒有譯碼功能。因此。在編寫顯示驅動程序之前,首先需要計算列寫出與本電路對應的LED段選碼,然后由2051的P3.0口送入164的串行輸入端,再并行輸出到LED的段選端。
需要指出的是,本電路采用TOS-8106BHK型號的共陽極LED顯示器,根據PCB印制線路板的連線方便,其LED的8個段選端與164的并行輸出口即8根段選線的連接沒有遵照通常的規律,而是如圖1所示的段排列為7、6、4、2、1、9、10、5,相應的段選碼也要重新計算。如顯示字符0的段選碼為11H。顯示字符1的段選碼為D7H等。
另外,這種穩定的靜態顯示方式也省去了CPU的動態掃描過程,此為本電路的又一特點。
電路中設計了4位LED顯示器,其功能為:左首位為百位數或標志位,左二位為十位數,左三位為個位數,左四位為小數點后的十分位數。據此,給出如圖2所示的顯示子程序框圖。

圖2 顯示子程序框圖
顯示子程序清單如下:

結束語
本文總結了基于74LS164的單片機與LED顯示電路設計方案,目前該串行口擴展的LED顯示接口電路已成功地應用到以AT89C2051單片機為核心的智能儀表中,如單片機濕度測量儀、單片機溫度測量儀等?,F場運行表明,LED顯示清晰穩定不閃爍,特別是在現場環境如光照強弱不同的情況下,可以在線調整LED發光的亮度,獲得視覺與功耗的最佳效果。
電話:18923864027(同微信)
QQ:709211280
〈烜芯微/XXW〉專業制造二極管,三極管,MOS管,橋堆等,20年,工廠直銷省20%,上萬家電路電器生產企業選用,專業的工程師幫您穩定好每一批產品,如果您有遇到什么需要幫助解決的,可以直接聯系下方的聯系號碼或加QQ/微信,由我們的銷售經理給您精準的報價以及產品介紹

