場效應管(MOSFET)N、P溝道區分與導通條件
場效應管N、P溝道區分及導通:如何區分場效應管是N溝道還是P溝道? 答:在電路圖中N溝道的MOS管箭頭是向內側指向,P溝道的箭頭是向外側指向的。

N溝道的測量方法是:萬用表打到二極管檔,紅表筆接S極,黑表筆接D極,測到400到800的阻值就可以判斷這個MOS管是N溝道的。P溝道的測量方法是:萬用表打到二極管檔,紅表筆接D極,黑表筆接S極,測到400-800的阻值可以判斷這個MOS管是P溝道的。(用表筆二極管檔測s極和D極的一組數值(600-800)紅S黑D是N溝道黑S紅D是P溝道)。
場效應管N、P溝道區分及導通:場效應管分為N溝道和P溝道,它的導通條件分別是什么? 答:都是靠在G極上加一個觸發電壓,使N極與D極導通。對N溝道G極電壓為+極性。對P溝道的G極電壓為-極性。
場效應管N、P溝道區分及導通:場效應管的導通與截止由柵源電壓來控制,對于增強型場效應管來說,N溝道的管子加正向電壓即導通,P溝道的管子則加反向電壓。一般2V~4V就可以了。 但是,場效應管分為增強型(常開型)和耗盡型(常閉型),增強型的管子是需要加電壓才能導通的,而耗盡型管子本來就處于導通狀態,加柵源電壓是為了使其截止。
開關只有兩種狀態通和斷,三極管和場效應管工作有三種狀態,1、截止,2、線性放大,3、飽和(基極電流繼續增加而集電極電流不再增加)。使晶體管只工作在1和3狀態的電路稱之為開關電路,一般以晶體管截止,集電極不吸收電流表示關;以晶體管飽和,發射極和集電極之間的電壓差接近于0V時表示開。開關電路用于數字電路時,輸出電位接近0V時表示0,輸出電位接近電源電壓時表示1。所以數字集成電路內部的晶體管都工作在開關狀態。

N溝MOS晶體管
金屬-氧化物-半導體(Metal-Oxide-SemIConductor)結構的晶體管簡稱MOS晶體管,有P型MOS管和N型MOS管之分。MOS管構成的集成電路稱為MOS集成電路,而PMOS管和NMOS管共同構成的互補型MOS集成電路即為CMOS集成電路。由p型襯底和兩個高濃度n擴散區構成的MOS管叫作n溝道MOS管,該管導通時在兩個高濃度n擴散區間形成n型導電溝道。
n溝道增強型MOS管必須在柵極上施加正向偏壓,且只有柵源電壓大于閾值電壓時才有導電溝道產生的n溝道MOS管。n溝道耗盡型MOS管是指在不加柵壓(柵源電壓為零)時,就有導電溝道產生的n溝道MOS管。
NMOS集成電路是N溝道MOS電路,NMOS集成電路的輸入阻抗很高,基本上不需要吸收電流,因此,CMOS與NMOS集成電路連接時不必考慮電流的負載問題。NMOS集成電路大多采用單組正電源供電,并且以5V為多。CMOS集成電路只要選用與NMOS集成電路相同的電源,就可與NMOS集成電路直接連接。
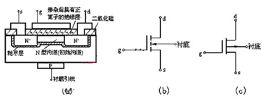
不過,從NMOS到CMOS直接連接時,由于NMOS輸出的高電平低于CMOS集成電路的輸入高電平,因而需要使用一個(電位)上拉電阻R,R的取值一般選用2~100KΩ。N溝道增強型MOS管的結構在一塊摻雜濃度較低的P型硅襯底上,制作兩個高摻雜濃度的N+區,并用金屬鋁引出兩個電極,分別作漏極d和源極s。
然后在半導體表面覆蓋一層很薄的二氧化硅(SiO2)絕緣層,在漏——源極間的絕緣層上再裝上一個鋁電極,作為柵極g。在襯底上也引出一個電極B,這就構成了一個N溝道增強型MOS管。
MOS管的源極和襯底通常是接在一起的(大多數管子在出廠前已連接好)。它的柵極與其它電極間是絕緣的。圖(a)、(b)分別是它的結構示意圖和代表符號。代表符號中的箭頭方向表示由P(襯底)指向N(溝道)。P溝道增強型MOS管的箭頭方向與上述相反,如圖(c)所示。

N溝道增強型MOS管的工作原理
(1)vGS對iD及溝道的控制作用
① vGS=0 的情況從圖1(a)可以看出,增強型MOS管的漏極d和源極s之間有兩個背靠背的PN結。當柵——源電壓vGS=0時,即使加上漏——源電壓vDS,而且不論vDS的極性如何,總有一個PN結處于反偏狀態,漏—源極間沒有導電溝道,所以這時漏極電流iD≈0。
② vGS>0 的情況若vGS>0,則柵極和襯底之間的SiO2絕緣層中便產生一個電場。電場方向垂直于半導體表面的由柵極指向襯底的電場。這個電場能排斥空穴而吸引電子。
排斥空穴:使柵極附近的P型襯底中的空穴被排斥,剩下不能移動的受主離子(負離子),形成耗盡層。吸引電子:將 P型襯底中的電子(少子)被吸引到襯底表面。
(2)導電溝道的形成:
當vGS數值較小,吸引電子的能力不強時,漏——源極之間仍無導電溝道出現,如圖1(b)所示。vGS增加時,吸引到P襯底表面層的電子就增多,當vGS達到某一數值時,這些電子在柵極附近的P襯底表面便形成一個N型薄層,且與兩個N+區相連通,在漏——源極間形成N型導電溝道,其導電類型與P襯底相反,故又稱為反型層,如圖1(c)所示。
vGS越大,作用于半導體表面的電場就越強,吸引到P襯底表面的電子就越多,導電溝道越厚,溝道電阻越小。開始形成溝道時的柵——源極電壓稱為開啟電壓,用VT表示。上面討論的N溝道MOS管在vGS<VT時,不能形成導電溝道,管子處于截止狀態。只有當vGS≥VT時,才有溝道形成。這種必須在vGS≥VT時才能形成導電溝道的MOS管稱為增強型MOS管。溝道形成以后,在漏—源極間加上正向電壓vDS,就有漏極電流產生。
vDS對iD的影響

如圖(a)所示,當vGS>VT且為一確定值時,漏——源電壓vDS對導電溝道及電流iD的影響與結型場效應管相似。漏極電流iD沿溝道產生的電壓降使溝道內各點與柵極間的電壓不再相等,靠近源極一端的電壓最大,這里溝道最厚,而漏極一端電壓最小,其值為VGD=vGS-vDS,因而這里溝道最薄。
但當vDS較小(vDS隨著vDS的增大,靠近漏極的溝道越來越薄,當vDS增加到使VGD=vGS-vDS=VT(或vDS=vGS-VT)時,溝道在漏極一端出現預夾斷,如圖2(b)所示。再繼續增大vDS,夾斷點將向源極方向移動,如圖2(c)所示。由于vDS的增加部分幾乎全部降落在夾斷區,故iD幾乎不隨vDS增大而增加,管子進入飽和區,iD幾乎僅由vGS決定。N溝道增強型MOS管的特性曲線、電流方程及參數(1)特性曲線和電流方程

(1)輸出特性曲線N溝道增強型MOS管的輸出特性曲線如圖1(a)所示。與結型場效應管一樣,其輸出特性曲線也可分為可變電阻區、飽和區、截止區和擊穿區幾部分。
(2)轉移特性曲線轉移特性曲線如圖1(b)所示,由于場效應管作放大器件使用時是工作在飽和區(恒流區),此時iD幾乎不隨vDS而變化,即不同的vDS所對應的轉移特性曲線幾乎是重合的,所以可用vDS大于某一數值(vDS>vGS-VT)后的一條轉移特性曲線代替飽和區的所有轉移特性曲線。3)iD與vGS的近似關系與結型場效應管相類似。在飽和區內,iD與vGS的近似關系式為

式中IDO是vGS=2VT時的漏極電流iD。(2)參數MOS管的主要參數與結型場效應管基本相同,只是增強型MOS管中不用夾斷電壓VP ,而用開啟電壓VT表征管子的特性。N溝道耗盡型MOS管的基本結構

(1)結構:N溝道耗盡型MOS管與N溝道增強型MOS管基本相似。
(2)區別:耗盡型MOS管在vGS=0時,漏——源極間已有導電溝道產生,而增強型MOS管要在vGS≥VT時才出現導電溝道。
(3)原因:制造N溝道耗盡型MOS管時,在SiO2絕緣層中摻入了大量的堿金屬正離子Na+或K+(制造P溝道耗盡型MOS管時摻入負離子),如圖1(a)所示,因此即使vGS=0時,在這些正離子產生的電場作用下,漏——源極間的P型襯底表面也能感應生成N溝道(稱為初始溝道),只要加上正向電壓vDS,就有電流iD。
如果加上正的vGS,柵極與N溝道間的電場將在溝道中吸引來更多的電子,溝道加寬,溝道電阻變小,iD增大。反之vGS為負時,溝道中感應的電子減少,溝道變窄,溝道電阻變大,iD減小。當vGS負向增加到某一數值時,導電溝道消失,iD趨于零,管子截止,故稱為耗盡型。溝道消失時的柵-源電壓稱為夾斷電壓,仍用VP表示。
P溝MOS晶體管
金屬氧化物半導體場效應(MOS)晶體管可分為N溝道與P溝道兩大類,P溝道硅MOS場效應晶體管在N型硅襯底上有兩個P+區,分別叫做源極和漏極,兩極之間不通導,柵極上加有足夠的正電壓(源極接地)時,柵極下的N型硅表面呈現P型反型層,成為連接源極和漏極的溝道。
改變柵壓可以改變溝道中的電子密度,從而改變溝道的電阻。這種MOS場效應晶體管稱為P溝道增強型場效應晶體管。如果N型硅襯底表面不加柵壓就已存在P型反型層溝道,加上適當的偏壓,可使溝道的電阻增大或減小。這樣的MOS場效應晶體管稱為P溝道耗盡型場效應晶體管。統稱為PMOS晶體管。
P溝道MOS晶體管的空穴遷移率低,因而在MOS晶體管的幾何尺寸和工作電壓絕對值相等的情況下,PMOS晶體管的跨導小于N溝道MOS晶體管。此外,P溝道MOS晶體管閾值電壓的絕對值一般偏高,要求有較高的工作電壓。
它的供電電源的電壓大小和極性,與雙極型晶體管——晶體管邏輯電路不兼容。PMOS因邏輯擺幅大,充電放電過程長,加之器件跨導小,所以工作速度更低,在NMOS電路(見N溝道金屬—氧化物—半導體集成電路)出現之后,多數已為NMOS電路所取代。
只是,因PMOS電路工藝簡單,價格便宜,有些中規模和小規模數字控制電路仍采用PMOS電路技術。PMOS集成電路是一種適合在低速、低頻領域內應用的器件。PMOS集成電路采用-24V電壓供電。如圖5所示的CMOS-PMOS接口電路采用兩種電源供電。采用直接接口方式,一般CMOS的電源電壓選擇在10~12V就能滿足PMOS對輸入電平的要求。

烜芯微專業制造二極管,三極管,MOS管,橋堆等20年,工廠直銷省20%,4000家電路電器生產企業選用,專業的工程師幫您穩定好每一批產品,如果您有遇到什么需要幫助解決的,可以點擊右邊的工程師,或者點擊銷售經理給您精準的報價以及產品介紹

