在電源電路中,功率MOS管的G極經常會串聯一個小電阻,幾歐姆到幾十歐姆不等,那么這個電阻用什么作用呢?

如上圖開關電源,G串聯電阻R13。這個電阻的作用有2個作用:限制G極電流,抑制振蕩。
限制G極電流
MOS管是由電壓驅動的,是以G級電流很小,但是因為寄生電容的存在,在MOS管打開或關閉的時候,因為要對電容進行充電,所有瞬間電流還是比較大的。特別是在開關電源中,MOS管頻繁的開啟和關閉,那么就要更要考慮這個帶來的影響了。

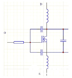
如上圖,MOS管的寄生電容有三個,Cgs,Cgd,Cds
一般在MOS管規格書中,一般會標下面三個參數:Ciss,Coss,Crss,他們與寄生電容的關系如下:
Ciss=Cgs+Cgd
Coss=Cds+Cgd
Crss=Cgd
如以MOS管FDS2582為例:

Ciss=1290pF,可以看到,這個寄生電容是很可觀的。
簡單估算一下,假設Vgs=10V,dt=Tr(上升時間)=20ns ,Ciss=1290pF,那么可得G極在開關時的瞬間電流I=Ciss*dVgs/dt =0.6A。
在基極串聯一個電阻,與Ciss形成一個RC充放電電路,可以減小瞬間電流值,不至于損毀MOS管的驅動芯片。
因為增加的這個電阻,會減緩MOS管的開啟與通斷時間,增加損耗,所以不能接太大。這也是為什么電阻是幾歐姆或者幾十歐姆的原因所在。
抑制振蕩

MOS管接入電路,也會有引線產生的寄生電感的存在,與寄生電容一起,形成LC振蕩電路。對于開關方波波形,是有很多頻率成分存在的,那么很可能與諧振頻率相同或者相近,形成串聯諧振電路。串聯一個電阻,可以減小振蕩電路的Q值,是振蕩快速衰減,不至于引起電路故障。
MOS管G極、S極、D極測試步驟
測試步驟:
MOS管的檢測主要是判斷MOS管漏電、短路、斷路、放大。
其步驟如下:
假如有阻值沒被測MOS管有漏電現象。
1、把連接柵極和源極的電阻移開,萬用表紅黑筆不變,假如移開電阻后表針慢慢逐步退回到高阻或無限大,則MOS管漏電,不變則完好。
2、然后一根導線把MOS管的柵極和源極連接起來,假如指針立刻返回無限大,則MOS完好。
3、把紅筆接到MOS的源極S上,黑筆接到MOS管的漏極上,好的表針指示應該是無限大。
4、用一只100KΩ-200KΩ的電阻連在柵極和漏極上,然后把紅筆接到MOS的源極S上,黑筆接到MOS管的漏極上,這時表針指示的值一般是0,這時是下電荷通過這個電阻對MOS管的柵極充電,產生柵極電場,因為電場產生導致導電溝道致使漏極和源極導通,故萬用表指針偏轉,偏轉的角度大,放電性越好。
烜芯微專業制造二極管,三極管,MOS管,橋堆等20年,工廠直銷省20%,4000家電路電器生產企業選用,專業的工程師幫您穩定好每一批產品,如果您有遇到什么需要幫助解決的,可以點擊右邊的工程師,或者點擊銷售經理給您精準的報價以及產品介紹
烜芯微專業制造二極管,三極管,MOS管,橋堆等20年,工廠直銷省20%,4000家電路電器生產企業選用,專業的工程師幫您穩定好每一批產品,如果您有遇到什么需要幫助解決的,可以點擊右邊的工程師,或者點擊銷售經理給您精準的報價以及產品介紹

