三極管是電流放大器件,有三個極,分別叫做集電極C,基極B,發射極E。分成NPN和PNP兩種。我們僅以NPN三極管的共發射極放大電路為例來說明一下三極管放大電路的基本原理。


解析三極管的基本放大電路設計
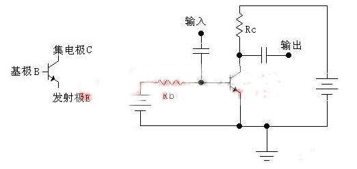
下面的分析僅對于NPN型硅三極管。如上圖所示,我們把從基極B流至發射極E的電流叫做基極電流Ib;把從集電極C流至發射極E的電流叫做集電極電流Ic。這兩個電流的方向都是流出發射極的,所以發射極E上就用了一個箭頭來表示電流的方向。三極管的放大作用就是:集電極電流受基極電流的控制(假設電源能夠提供給集電極足夠大的電流的話),并且基極電流很小的變化,會引起集電極電流很大的變化,且變化滿足一定的比例關系:集電極電流的變化量是基極電流變化量的β倍,即電流變化被放大了β倍,所以我們把β叫做三極管的放大倍數(β一般遠大于1,例如幾十,幾百)。如果我們將一個變化的小信號加到基極跟發射極之間,這就會引起基極電流Ib的變化,Ib的變化被放大后,導致了Ic很大的變化。如果集電極電流Ic是流過一個電阻R的,那么根據電壓計算公式U=R*I 可以算得,這電阻上電壓就會發生很大的變化。我們將這個電阻上的電壓取出來,就得到了放大后的電壓信號了。
三極管在實際的放大電路中使用時,還需要加合適的偏置電路。這有幾個原因。首先是由于三極管BE結的非線性(相當于一個二極管),基極電流必須在輸入電壓大到一定程度后才能產生(對于硅管,常取0.7V)。當基極與發射極之間的電壓小于0.7V時,基極電流就可以認為是0。但實際中要放大的信號往往遠比 0.7V要小,如果不加偏置的話,這么小的信號就不足以引起基極電流的改變(因為小于0.7V時,基極電流都是0)。如果我們事先在三極管的基極上加上一個合適的電流(叫做偏置電流,上圖中那個電阻Rb就是用來提供這個電流的,所以它被叫做基極偏置電阻),那么當一個小信號跟這個偏置電流疊加在一起時,小信號就會導致基極電流的變化,而基極電流的變化,就會被放大并在集電極上輸出。另一個原因就是輸出信號范圍的要求,如果沒有加偏置,那么只有對那些增加的信號放大,而對減小的信號無效(因為沒有偏置時集電極電流為0,不能再減小了)。而加上偏置,事先讓集電極有一定的電流,當輸入的基極電流變小時,集電極電流就可以減小;當輸入的基極電流增大時,集電極電流就增大。這樣減小的信號和增大的信號都可以被放大了。
下面說說三極管的飽和情況。像上面那樣的圖,因為受到電阻Rc的限制(Rc是固定值,那么最大電流為U/Rc,其中U為電源電壓),集電極電流是不能無限增加下去的。當基極電流的增大,不能使集電極電流繼續增大時,三極管就進入了飽和狀態。一般判斷三極管是否飽和的準則是:Ib*β〉Ic。進入飽和狀態之后,三極管的集電極跟發射極之間的電壓將很小,可以理解為一個開關閉合了。這樣我們就可以拿三極管來當作開關使用:當基極電流為0時,三極管集電極電流為 0(這叫做三極管截止),相當于開關斷開;當基極電流很大,以至于三極管飽和時,相當于開關閉合。如果三極管主要工作在截止和飽和狀態,那么這樣的三極管我們一般把它叫做開關管。
如果我們在上面這個圖中,將電阻Rc換成一個燈泡,那么當基極電流為0時,集電極電流為0,燈泡滅。如果基極電流比較大時(大于流過燈泡的電流除以三極管的放大倍數β),三極管就飽和,相當于開關閉合,燈泡就亮了。由于控制電流只需要比燈泡電流的β分之一大一點就行了,所以就可以用一個小電流來控制一個大電流的通斷。如果基極電流從0慢慢增加,那么燈泡的亮度也會隨著增加(在三極管未飽和之前)。
但是在實際使用中要注意,在開關電路中,飽和狀態若在深度飽和時會影響其開關速度,飽和電路在基極電流乘放大倍數等于或稍大于集電極電流時是淺度飽和,遠大于集電極電流時是深度飽和。因此我們只需要控制其工作在淺度飽和工作狀態就可以提高其轉換速度。
對于PNP型三極管,分析方法類似,不同的地方就是電流方向跟NPN的剛好相反,因此發射極上面那個箭頭方向也反了過來——變成朝里的了。
烜芯微專業制造二極管,三極管,MOS管,橋堆等20年,工廠直銷省20%,1500家電路電器生產企業選用,專業的工程師幫您穩定好每一批產品,如果您有遇到什么需要幫助解決的,可以點擊右邊的工程師,或者點擊銷售經理給您精準的報價以及產品介紹
烜芯微專業制造二極管,三極管,MOS管,橋堆等20年,工廠直銷省20%,1500家電路電器生產企業選用,專業的工程師幫您穩定好每一批產品,如果您有遇到什么需要幫助解決的,可以點擊右邊的工程師,或者點擊銷售經理給您精準的報價以及產品介紹

