1)要求具有較高的效率
由于目前太陽能電池的價格偏高,為了最大限度的利用太陽能電池,提高系統效率,必須設法提高逆變器的效率。
2)要求具有較高的可靠性
目前光伏電站系統主要用于邊遠地區,許多電站無人值守和維護,這就要求逆變器有合理的電路結構,嚴格的元器件篩選,并要求逆變器具 備各種保護功能,如:輸入直流極性接反保護、交流輸出短路保護、過熱、過載保護等。
3)要求輸入電壓有較寬的適應范圍
由于太陽能電池的端電壓隨負載和日照強度變化而變化。特別是當蓄電池老化時其端電壓的變化范圍很大,如12V的蓄電池,其端電壓可能在 10V~16V之間變化,這就要求逆變器在較大的直流輸入電壓范圍內保證正常工作。
逆變器工作原理電路圖分類
有關逆變器分類的方法很多,例如:根據逆變器輸出交流電壓的相數,可分為單相逆變器和三相逆變器;根據逆變器使用的半導體器件類型不同,又可分為晶體管逆變器、晶閘管逆變器及可關斷晶閘管逆變器等。根據逆變器線路原理的不同,還可分為自激振蕩型逆變器、階梯波疊加型逆變器和脈寬調制型逆變器等。根據應用在并網系統還是離網系統中又可以分為并網逆變器和離網逆變器。為了便于光電用戶選用逆變器,這里僅以逆變器適用場合的不同進行分類。
集中型逆變器
集中逆變技術是若干個并行的光伏組串被連到同一臺集中逆變器的直流輸入端,一般功率大的使用三相的IGBT功率模塊,功率較小的使用場效應晶體管,同時使用DSP轉換控制器來改善所產出電能的質量,使它非常接近于正弦波電流,一般用于大型光伏發電站(>10kW)的系統中。最大特點是系統的功率高,成本低,但由于不同光伏組串的輸出電壓、電流往往不完全匹配(特別是光伏組串因多云、樹蔭、污漬等原因被部分遮擋時),采用集中逆變的 方式會導致逆變過程的效率降低和電戶能的下降。同時整個光伏系統的發電可靠性受某一光伏單元組工作狀態不 良的影響。最新的研究方向是運用空間矢量的調制控制以及開發新的逆變器的拓撲連接,以獲得部分負載情況下的高效率。
組串型逆變器
組串逆變器是基于模塊化概念基礎上的,每個光伏組串(1-5kw)通過一個逆變器,在直流端具有最大功率峰值跟蹤,在交流端并聯并網,已成為現在國際市場上最流行的逆變器。
許多大型光伏電廠使用組串逆變器。優點是不受組串間模塊差異和遮影的影響,同時減少了光伏組件最佳工作點與逆變器不匹配的情況,從而增加了發電量。技術上的這些優勢不僅降低了系統成本,也增加了系統的可靠性。同時,在組串間引人"主-從"的概念,使得系統在單串電能不能使單個逆變器工作的情況下,將幾組光伏組串聯系在一起,讓其中一個或幾個工作,從而產出更多的電能。
最新的概念為幾個逆變器相互組成一個"團隊"來代替"主-從"的概念,使得系統的可靠性又進了一步。目前,無變壓器式組串逆變器已占了主導地位。
微型逆變器
在傳統的PV系統中,每一路組串型逆變器的直流輸入端,會由10塊左右光伏電池板串聯接入。當10塊串聯的 電池板中,若有一塊不能良好工作,則這一串都會受到影響。若逆變器多路輸入使用同一個MPPT,那么各路輸入 也都會受到影響,大幅降低發電效率。在實際應用中,云彩,樹木,煙囪,動物,灰塵,冰雪等各種遮擋因素都會引起上述因素,情況非常普遍。
而在微型逆變器的PV系統中,每一塊電池板分別接入一臺微型逆變器,當電池 板中有一塊不能良好工作,則只有這一塊都會受到影響。其他光伏板都將在最佳工作狀態運行,使得系統總體效率更高,發電量更大。在實際應用中,若組串型逆變器出現故障,則會引起幾千瓦的電池板不能發揮作用,而微 型逆變器故障造成的影響相當之小。
功率優化器
太陽能發電系統加裝功率優化器(OptimizEr)可大幅提升轉換效率,并將逆變器(Inverter)功能化繁為簡降低成本。為實現智慧型太陽能發電系統,裝置功率優化器可確實讓每一個太陽能電池發揮最佳效能,并隨時監控電池耗損狀態。
功率優化器是介于發電系統與逆變器之間的裝置,主要任務是替代逆變器原本的最佳功率點追蹤功 能。功率優化器藉由將線路簡化以及單一太陽能電池即對應一個功率優化器等方式,以類比式進行極為快速的最佳功率點追蹤掃描,進而讓每一個太陽能電池皆可確實達到最佳功率點追蹤,除此之外,還能藉置入通訊晶片隨 時隨地監控電池狀態,即時回報問題讓相關人員盡速維修。
介紹兩種比較簡單的逆變器工作原理電路圖。并附以簡單的逆變器工作原理電路圖說明,有興趣的朋友可以研究下,自已動手做一個逆變器也確實是一件非常有成就感的事。以一就是一張較常見的逆變器電路圖。


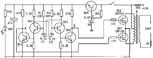
以上是一款較為容易制作的逆變器工作原理電路圖,可以將12V直流電源電壓逆變為220V市電電壓,電路由BG2和BG3組成的多諧振蕩器推動,再通過BG1和BG4驅動,來控制BG6和BG7工作。其中振蕩電路由BG5與DW組的穩壓電源供電,這樣可以使輸出頻率比較穩定。在制作時,變壓器可選有常用雙12V輸出的市電變壓器。可根據需要,選擇適當的12V蓄電池容量。
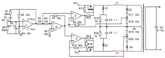
以下是一款高效率的正弦波逆變器電器圖,該電路用12V電池供電。先用一片倍壓模塊倍壓為運放供電??蛇x取ICL7660或MAX1044。運放1產生50Hz正弦波作為基準信號。運放2作為反相器。運放3和運放4作為遲滯比較器。其實運放3和開關管1構成的是比例開關電源。運放4和開關管2也同樣。它的開關頻率不穩定。在運放1輸出信號為正相時,運放3和開關管工作。這時運放2輸出的是負相。這時運放4的正輸入端的電位(恒為0)總比負輸入端的電位高,所以運放4輸出恒為1,開關管關閉。在運放1輸出為負相時,則相反。這就實現了兩開關管交替工作。


當基準信號比檢測信號,也即是運放3或4的負輸入端的信號比正輸入端的信號高一微小值時,比較器輸出0,開關管開,隨之檢測信號迅速提高,當檢測信號比基準信號高一微小值時,比較器輸出1,開關管關。這里要注意的是,在電路翻轉時比較器有個正反饋過程,這是遲滯比較器的特點。比如說在基準信號比檢測信號低的前提下,隨著它們的差值不斷地靠近,在它們相等的瞬間,基準信號馬上比檢測信號高出一定值。這個“一定值”影響開關頻率。它越大頻率越低。這里選它為0.1~0.2V。
C3,C4的作用是為了讓頻率較高的開關續流電流通過,而對頻率較低的50Hz信號產生較大的阻抗。C5由公式:50=算出。L一般為70H,制作時最好測一下。這樣C為0.15μ左右。R4與R3的比值要嚴格等于0.5,大了波形失真明顯,小了不能起振,但是寧可大一些,不可小。開關管的最大電流為:I==25A。
現有的逆變器,有方波輸出和正弦波輸出兩種。方波輸出的逆變器效率高,對于采用正弦波電源設計的電器來說,除少數電器不適用外大多數電器都可適用,正弦波輸出的逆變器就沒有這方面的缺點,卻存在效率低的缺點,如何選擇這就需要根據自己的需求了。
逆變器工作原理電路圖
主功率元件的選擇至關重要,目前使用較多的功率元件有達林頓功率晶體管(BJT),功率場效應管(MOSFET),絕緣柵晶體管(IGBT)和可關 斷晶閘管(GTO)等,在小容量低壓系統中使用較多的器件為MOSFET,因為MOSFET具有較低的通態壓降和較高的開關頻率,在高壓大容量系統中一般 均采用IGBT模塊,這是因為MOSFET隨著電壓的升高其通態電阻也隨之增大,而IGBT在中容量系統中占有較大的優勢,而在特大容量(100KVA以 上)系統中,一般均采用GTO作為功率元件
大件:場效應管或IGBT、變壓器、電容、二極管、比較器以及3525之類的主控。交直交逆變還有整流濾波。
功率大小和精度,關系著電路的復雜程度。
IGBT(絕緣柵雙極晶體管)作為新型電力半導體場控自關斷器件,集功率MOSFET的高速性能與雙極性器件的低電阻于一體,具有輸入阻抗高,電壓控制功耗低,控制電路簡單,耐高壓,承受電流大等特性,在各種電力變換中獲得極廣泛的應用。與此同時,各大半導體生產廠商不斷開發IGBT的高耐壓、大電流、高速、低飽和壓降、高可靠性、低成本技術,主要采用1um以下制作工藝,研制開發取得一些新進展。
烜芯微專業制造二三極管,MOS管,20年,工廠直銷省20%,1500家電路電器生產企業選用,專業的工程師幫您穩定好每一批產品,如果您有遇到什么需要幫助解決的,可以點擊右邊的工程師,或者點擊銷售經理給您精準的報價以及產品介紹
烜芯微專業制造二三極管,MOS管,20年,工廠直銷省20%,1500家電路電器生產企業選用,專業的工程師幫您穩定好每一批產品,如果您有遇到什么需要幫助解決的,可以點擊右邊的工程師,或者點擊銷售經理給您精準的報價以及產品介紹

